面闆流(liu)量計,小液(ye)體流量計(jì),微小浮子(zi)流量計
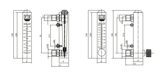
面闆式(shì)流量計也(ye)屬轉子(或(huò)稱浮子)流(liu)量計,測量(liang)管選用優(yōu)質透🤩明有(yǒu)機玻璃。主(zhu)要應于淨(jing)水處理及(jí)環⭐保工程(cheng)配套,也可(ke)用于化工(gōng)、石油、輕工(gōng)、醫藥、化肥(féi)、食品、造紙(zhǐ)及科學研(yan)究等🚶部門(men),用來測量(liàng)液體單相(xiàng)非脈動的(de)流量。
面闆式流(liú)量計具有(you)透明度高(gāo)、讀數直觀(guān)、不易破裂(liè)、重量輕、壽(shòu)命長、安裝(zhuang)連接文便(biàn)等特點。
面(mian)闆流量計(jì),小液體流(liú)量計,微小(xiǎo)浮子流量(liàng)計
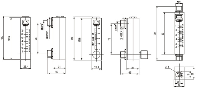
LZB-8系(xì)列面闆式(shì)流量計

|
面闆式(shì)流量計型(xíng)号 | 面(miàn)闆式流量(liang)計流量範(fan)圍 | 介(jiè)質 | 備(bèi)注 |
LZB-8 面闆式(shì)流量計 | LZB-0802M | 2-20l/h | 水 | 不帶閥 |
LZB-0804M | 4-40l/h |
LZB-0806M | 6-60l/h |
LZB-0810M | 10-100l/h |
LZB-0807M | 10-70GPH |
LZB-0802M-V | 2-20l/h | 帶閥 |
LZB-0804M-V | 4-40l/h |
LZB-0806M-V | 6-60l/h |
LZB-0810M-V | 10-100l/h |
LZB-0807M-V | 10-70GPH |
LZB-0801G | 0.1~1GPM | 不帶閥(fa) |
| 30-300ML/LPM | 空氣(qì) | 帶閥(fá) |
LZB-08A00M-V | 0.1-1LPM |
LZB-08A006M-V | 0.3-3LPM |
LZB-08A01M-V | 1~10SCFH/0.5~5LPM |
LZB-08A02M-V | 2~20SCFH/1~10LPM |
LZB-08A04M-V | 4~40SCFH/2~20LPM |
LZB-08A08M-V | 8~80SCFH/4~40LPM |
LZB-08A10M-V | 10~100SCFH/5~50LPM |
LZB-08A20M-V | 20~200SCFH/10~100LPM |

|
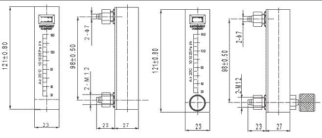
LZB-9系列(liè)面闆式流(liu)量計

|
面闆式流(liú)量計型号(hào) | 面闆(pǎn)式流量計(jì)流量範圍(wéi) | 介質(zhi) | 備注(zhù) |
LZB-9 面闆式流(liú)量計 | LZB-0908M | 10~80 l/h | 空氣 | 不帶閥 |
LZB-0916M | 20~160 l/h |
|
LZB-0980M | 80-800 l/h |
LZB-0908M-V | 10~80l/h | 帶閥 |
LZB-0916M-V | 20~160 l/h |
LZB-0930M-V | 30~300 l/h |
LZB-0980M-V | 80~800 l/h |

|
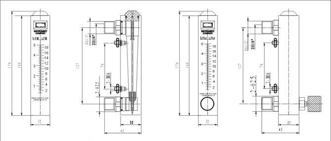
LZB-10系列面(miàn)闆式流量(liang)計

|
面(miàn)闆式流量(liang)計型号 | 面闆式(shi)流量計流(liú)量範圍 | 介質 | 備注 |
LZB-10 面(miàn)闆式流量(liang)計 | LZB-1001M | 0.1~1GPM/0.5~4LPM | 水(shui) | 不帶(dai)閥 |
LZB-1002M | 0.2~2GPM/1~7LPM |
LZB-1005M | 0.5~5GPM/2~18LPM |
LZB-1001M-V | 0.1~1GPM/0.5~4LPM | 帶(dài)閥 |
LZB-1002M-V | 0.2~2GPM/1~7LPM |
LZB-1005M-V | 0.5~5GPM/2~18LPM |
LZB-10A04M | 0.4~4SCFM/12~120LPM | 空(kong)氣 | 不(bu)帶閥 |
LZB-10A08M | 0.8~8SCFM/24~240LPM |
LZB-10A16M | 1.6~16SCFM/48~480LPM |
LZB-10A24M | 2.4~24SCFM/72~720LPM |
LZB-10A04M-V | 0.4~4SCFM/12~120LPM | 帶閥 |
LZB-10A08M-V | 0.8~8SCFM/24~240LPM |
LZB-10A16M-V | 1.6~16SCFM/48~480LPM |
LZB-10A24M-V | 2.4~24SCFM/72~720LPM |

|
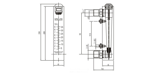
LZB-25系列面闆(pan)式流量計(jì)

|
面闆(pǎn)式流量計(jì)型号 | 面闆式流(liu)量計流量(liàng)範圍 | 介質 | 備注 |
LZB-25 面闆(pan)式流量計(ji) | LZB-2510M | 1~10 GPM/5~35LPM | 水 | 不帶閥(fá) |
LZB-2516M | 2~16 GPM/4~60LPM |
LZB-2520M |
|
LZB-2535M | 5~35 GPM/12~120LPM |
LZB-2540M | 4~40GPM/15~150LPM |
LZB-25A40M | 4~40 SCFM/7~70m3/h | 空氣(qì) |
LZB-25A60M | 6~60 SCFM/10~100m3/h |

|
LZB-40系列(liè)面闆式流(liu)量計

|
面闆(pan)式流量計(jì)型号 | 面闆(pǎn)式流量計(jì)流量範圍(wei) | 介質 | 備注(zhu) |
LZB-40 面闆式流(liu)量計 | LZB-4035M | 4~35 GPM/12~120LPM | 水 | 不(bu)帶閥 |
LZB-4040M | 4~40 GPM/15~150LPM |
LZB-4050M | 10~50GPM/40~180LPM |
LZB-4010M-V | 1~10 GPM/5~35LPM | 帶閥(fá) |
LZB-4016M-V | 2~16 GPM/4~60LPM |
LZB-4020M-V | 2~20 GPM/10~70LPM |

|